Trommel mit montiertem VA-Gewebe

und prov. montiertem Düsenstock

Unten rechts sieht man das 160 er  Zulaufrohr zum TF

 

 Trommel mit montiertem VA-Gewebe

 Düsen im Detail noch Provisorisch montiert

Super verstellbar und montierbar

 

Das Gewebe liegt so fest auf der Trommel an,

 auf die VA - Schelle hätte man  verzichten können,

 

Düsen beim reinigen

Die Trommel  macht 1 Umdrehung in 8 sec.

 prov. Düsenabdeckung

Hier  wird noch eine Plexiglasabdeckung  montiert

Hier mit Plexiglasabdeckung

Hier  die neue Trommelhalterung

und der Schlauch aus EPDM-Folie   

 Große Datenmenge startet verzögert

oder Datei unter "Ziel speichern unter .............."

Video 1 vom Reinigungsvorgang 

 Video 2 vom Reinigungsvorgang

 

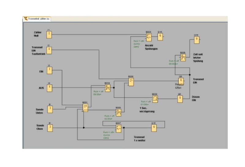
Das erste Programm

( was inzwischen mehrfach modifiziert worden ist )

 

 

Antriebseite der Trommel

Für`s Foto wurde der Wasserstand abgesenkt

 

                                                                       Daten und  Kosten des TF